佛山桑拿论坛入口2025,南京品茶网论坛,城中村找个气质不错的150


TQ-A3圆S型拉压称重传感器

编号:10118
查看:
发布:2024-08-05

TQ-A3圆S型拉压传感器,承受拉、压外力均可;输出对称性好,结构紧凑;安装方便,规格齐全。 TQ-A3圆S型拉压传感器适用于配料秤、吊钩秤、机电结合秤,包装秤,材料力学试验机等专用测力装置。 


拨打电话
Call
在线咨询
Service



产品特点:TQ-A3圆S型拉压传感器,承受拉、压外力均可;输出对称性好,结构紧凑;安装方便,规格齐全。
产品用途:TQ-A3圆S型拉压传感器适用于配料秤、吊钩秤、机电结合秤,包装秤,材料力学试验机等专用测力装置。
量程:250N(25kg)、300N(30kg)、500N(50kg)、750N(75kg)、1 kN(100kg)、1.5 kN(150kg)、2 kN(200kg)、2.5 kN(250kg)、3 kN(300kg)、5 kN(500kg)、7 kN(700kg)、10 kN(1t)、12 kN(1.2t)、15 kN(1.5t)、20 kN(2t)、25 kN(2.5t)、30 kN(3t)、50 kN(5t)、75 kN(7.5t)、100 kN(10t)
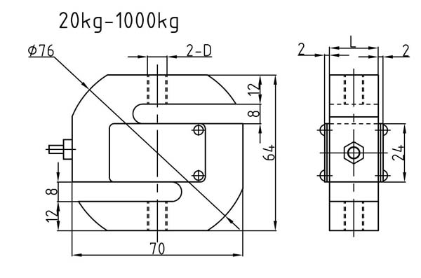
技术参数及外形尺寸:

序号

产品技术参数

1

额定载荷

25-10000kg

2

综合精度

C2;C3

3

灵敏度

2.0mV/V±0.3%(20-7500kg)

1.8mV/ V±0.2%(10000kg)

4

输入阻抗

400±20Ω

5

输出阻抗

350±3Ω

6

绝缘阻抗

≥5000MΩ

7

补偿温度范围

-10~40℃

8

安全过载

150%F.S

9

材质

合金钢

10

激励电压

10V(DC/AC)

11

密封等级

IP65(20-1000kg)

IP68(1200-10000kg)

12

电缆

2.6m(20-1000kg)

3m(1200-10000kg)

13

接线方式

……E+(电源正)

……E-(电源负)

绿……S+(信号正)

               白……S-(信号负)



型号

量程(kN)

量程(kg)

D

L

H

TQ-A3

0.25-1.5

25-150

M8×1.25

12

--

2-5

200-500

M12×1.75

20

--

7-10

700-1000

M12×1.75

25

--

12-50

1200-5000

M20×2.5

32

90

75

7500

M24×3

40

90

100

10000

M30×2

50

110

图片与实物略有差异,以实物为准 / 济南泰钦保留随时更改、撤消产品型号、规格的权利,恕不另行通知




主站蜘蛛池模板: 和田市| 寿光市| 皋兰县| 和田县| 松阳县| 万载县| 车致| 海阳市| 德保县| 南木林县| 镇沅| 吉首市| 平远县| 丰县| 株洲市| 江阴市| 汉阴县| 临武县| 城市| 株洲县| 奈曼旗| 吐鲁番市| 遂宁市| 特克斯县| 磐石市| 广昌县| 彰化市| 长沙市| 新平| 玛纳斯县| 通江县| 江城| 海宁市| 花莲县| 万盛区| 阳新县| 隆安县| 汾阳市| 宁河县| 丘北县| 贡觉县|