TQ-N3扭矩传感器
精度高,性能稳定,安装方便;适用于静态、非连续旋转的扭矩力值的测量与控制。
序号 | 产品技术参数 | |
1 | 额定载荷 | 2Nm-3000Nm |
2 | 综合精度 | 0.1/0.3%F.S |
3 | 灵敏度 | 1.0-2.0mV/V |
4 | 蠕变/30分钟 | ±0.1/0.2/0.3%F.S/30min |
5 | 零点输出 | ±1%F.S |
6 | 零点温度影响 | ±0.1/0.2/0.3%F.S/10℃ |
7 | 输出温度影响 | ±0.1/0.2/0.3%F.S/10℃ |
8 | 输入阻抗 | 750±30Ω/380±10Ω |
9 | 输出阻抗 | 700±5Ω/380±3Ω |
10 | 绝缘阻抗 | >5000MΩ |
11 | 工作温度 | -10~65℃ |
12 | 安全过载 | 150%F.S |
13 | 激励电压 | 10VDC |
14 | 材质 | 合金钢 |
15 | 接线方式 | 红……E+(输入正) 黑……E-(输入负) 绿……S+(输出正) 白……S-(输出负) |

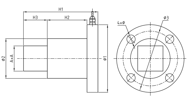
型号 | 量程(Nm) | A | H1 | H2 | H3 | Φ1 | Φ2 | Φ3 | Φ |
TQ-N3 | 2-200 | 12.5 | 55 | 30 | 15 | 59 | 32 | 45 | 6.5 |
300-1500 | 25.4 | 75 | 40 | 24 | 68 | 40 | 55 | 8.5 | |
2000-3000 | 25.4 | 85 | 44 | 24 | 98 | 56 | 80 | 13 |
图片与实物略有差异,以实物为准 / 济南泰钦保留随时更改、撤消产品型号、规格的权利,恕不另行通知