TQ-L26平行梁称重传感器
编号:10299
查看:
发布:2019-01-29
产品特点:TQ-L26平行梁称重传感器为单点承载结构,出厂时已通过四角调整保证其在规定的受载平面内各点输出一致。产品结构形式简单,使用方便。产品用途:TQ-L26平行梁称重传感器适用于制作料斗秤等量程:100kg、200
编号:10299
查看:
发布:2019-01-29
产品特点:TQ-L26平行梁称重传感器为单点承载结构,出厂时已通过四角调整保证其在规定的受载平面内各点输出一致。产品结构形式简单,使用方便。产品用途:TQ-L26平行梁称重传感器适用于制作料斗秤等量程:100kg、200
产品特点:TQ-L26平行梁称重传感器为单点承载结构,出厂时已通过四角调整保证其在规定的受载平面内各点输出一致。产品结构形式简单,使用方便。
产品用途:TQ-L26平行梁称重传感器适用于制作料斗秤等
量程:100kg、200kg、300kg、500kg、750kg、1000kg
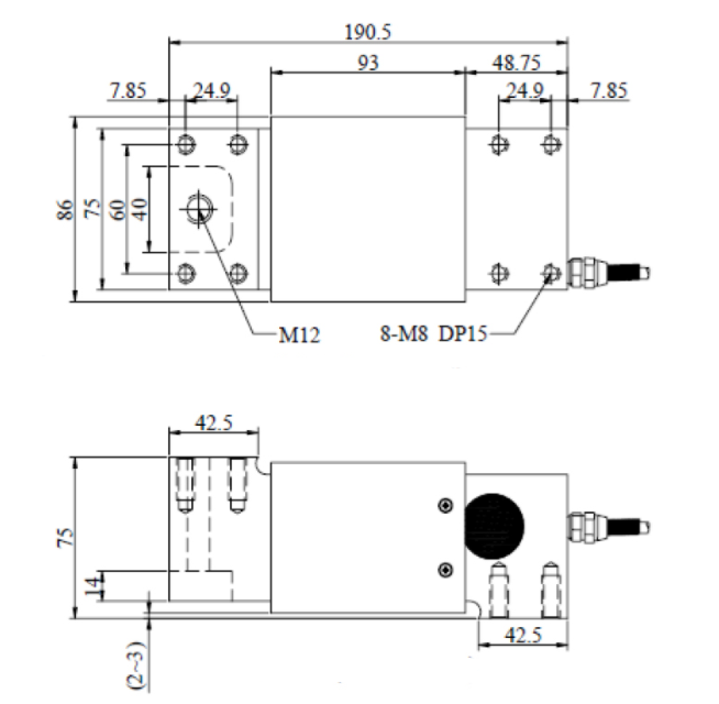
技术参数及外形尺寸:
序号 | 产品技术参数 | |
1 | 额定载荷 | 100/200/300/500/750/1000(kg) |
2 | 额定输出 | 2.0mV/V±5% |
3 | 非线性 | ±0.02%F.S |
4 | 重复性 | ±0.02%F.S |
5 | 滞后 | ±0.02%F.S |
6 | 蠕变/30min | ±0.02%F.S |
7 | 零点温度影响 | 0.02%F.S/10℃ |
8 | 输出温度影响 | 0.03%F.S/10℃ |
9 | 输入阻抗 | 410±15Ω |
10 | 输出阻抗 | 350±5Ω |
11 | 绝缘阻抗 | ≥5000MΩ |
12 | 工作温度范围 | -20~60℃ |
13 | 安全过载 | 150%F.S |
14 | 材质 | 铝合金 |
15 | 推荐工作电压 | 5-12VDC |
16 | 接线方式 | 红……E+(输入正) 黑……E-(输入负) 绿……S+(输出正) 白……S-(输出负) |

图片与实物略有差异,以实物为准 / 济南泰钦保留随时更改、撤消产品型号、规格的权利,恕不另行通知