佛山桑拿论坛入口2025,南京品茶网论坛,城中村找个气质不错的150


CH- SH S型传感器

编号:10504
查看:
发布:2022-05-20

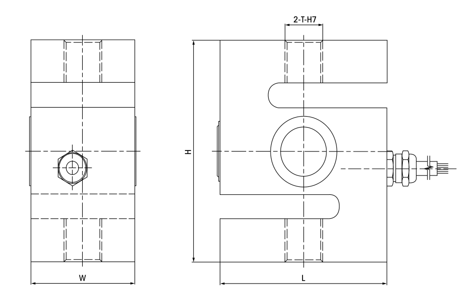
产品名称:CH-SHS型传感器产品特点:CH-SH采用优质不锈钢材质,具有高精度,高稳定性,低外形,安装简便、快速等特点。适用于试验机、配料秤、搅拌站、皮带秤和包装秤等,多做拉力使用,也可压用。量程:2kN(20 


拨打电话
Call
在线咨询
Service


产品名称:CH-SH S型传感器

产品特点:CH-SH采用优质不锈钢材质,具有高精度,高稳定性,低外形,安装简便、快速等特点。适用于试验机、配料秤、搅拌站、皮带秤和包装秤等,多做拉力使用,也可压用。


量程:2 kN(200kg)、3 kN(300kg)、5 kN(500kg)、10 kN(1t)、20 kN(2t)、30 kN(3t)、50 kN(5t)


外形尺寸:


量程(kN)

量程(kg)


L

H

W

T

2,3

200,300

mm

62

80

30

M10x1

5

500

mm

62

80

30

M12x1

10

1000

mm

70

90

30

M12x1

20

2000

mm

70

90

45

M16x1.5

30

3000

mm

80

100

50

M18x1.5

50

5000

mm

92

130

58

M20x2


技术参数:


技术参数




额定输出

2.0mV/V±0.2%

零点平衡

±1%F.S

综合精度

0.03%F.S

输入阻抗

380±5Ω

线性、滞后性

±0.03%F.S

输出阻抗

350±3Ω

重复性

±0.03%F.S

绝缘电阻

≥5000MΩ

蠕变

±0.03%F.S/30min

允许工作电压

5~15V/DC

零点温度影响

±0.02%/10℃

工作温度范围

-30℃~+70℃

输出温度影响

±0.02%/10℃

安全过载

150%F.S

接线方式

激励:+红 -黑

信号:+绿 -白        屏蔽:黄




主站蜘蛛池模板: 锦屏县| 庄浪县| 繁昌县| 宿州市| 邹城市| 惠来县| 浮山县| 福贡县| 黎川县| 修文县| 临潭县| 武隆县| 马尔康县| 改则县| 广州市| 广水市| 铜陵市| 汽车| 永城市| 洪泽县| 陕西省| 什邡市| 甘谷县| 泸定县| 旬阳县| 柳林县| 诏安县| 石棉县| 缙云县| 辽源市| 平远县| 浦县| 农安县| 琼结县| 武强县| 定陶县| 洮南市| 凌源市| 乌拉特中旗| 弥勒县| 攀枝花市|