佛山桑拿论坛入口2025,南京品茶网论坛,城中村找个气质不错的150


CH-LP6单点式称重传感器

编号:10410
查看:
发布:2022-05-20

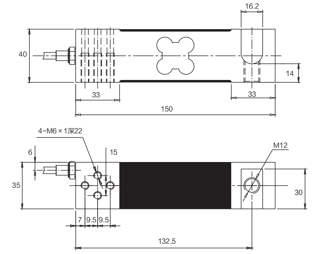
CH-LP6铝制单点式称重传感器为单点承载结构,产品结构形式简单,使用方便。适用于皮带秤等力量测量设备。量程:1kN(100kg)、2kN(200kg)、3kN(300kg)外形尺寸:CH-LP6 


拨打电话
Call
在线咨询
Service


产品名称:CH-LP6单点式称重传感器


产品特点:CH-LP6铝制单点式称重传感器为单点承载结构,产品结构形式简单,使用方便。适用于皮带秤等力量测量设备。


量程:1 kN(100kg)、2 kN(200kg)、3 kN(300kg)


外形尺寸:



CH-LP6 技术参数




额定输出

2.0mV/V±10%

输入阻抗

410±15Ω

非线性

±0.02%F.S

输出阻抗

350±5Ω

滞后性

<±0.02%F.S

绝缘电阻

≥5000MΩ

重复性

<±0.02%F.S

允许激励电压

5~15V/DC

蠕变

<±0.02%F.S/30min

补偿温度范围

-10℃~+40℃

零点温度影响

<±0.02%/10℃

工作温度范围

-30℃~+70℃

输出温度影响

<±0.02%/10℃

安全过载

150%F.S

零点平衡

<±1%F.S

极限过载

200%F.S

接线方式

激励:+红 -黑

信号:+绿 -白        屏蔽:黄




主站蜘蛛池模板: 永新县| 富裕县| 天镇县| 安宁市| 府谷县| 聂拉木县| 浑源县| 汕尾市| 大化| 台前县| 博爱县| 祁阳县| 馆陶县| 固原市| 睢宁县| 安徽省| 阿尔山市| 大连市| 化德县| 库尔勒市| 屯留县| 开阳县| 利辛县| 关岭| 绥中县| 寿宁县| 堆龙德庆县| 莱芜市| 叙永县| 桓台县| 于都县| 五原县| 肃南| 曲沃县| 环江| 伊川县| 崇信县| 衡水市| 光山县| 怀集县| 北辰区|