佛山桑拿论坛入口2025,南京品茶网论坛,城中村找个气质不错的150


CH-LF1轮辐式测力传感器

编号:10395
查看:
发布:2022-05-20

产品名称:CH-LF1轮辐式测力传感器产品特点:CH-LF1轮辐式测力传感器采用优质不锈钢材质,具有高精度,高稳定性,低外形,安装简便、快速等特点。适用于试验机,可做拉压双向使用。量程:500kg,1t,2t,3t,5t,1 


拨打电话
Call
在线咨询
Service


产品名称:CH-LF1轮辐式测力传感器

产品特点:CH-LF1轮辐式测力传感器采用优质不锈钢材质,具有高精度,高稳定性,低外形,安装简便、快速等特点。适用于试验机,可做拉压双向使用。


量程:500kg,1t,2t,3t,5t,10t,20t,30t


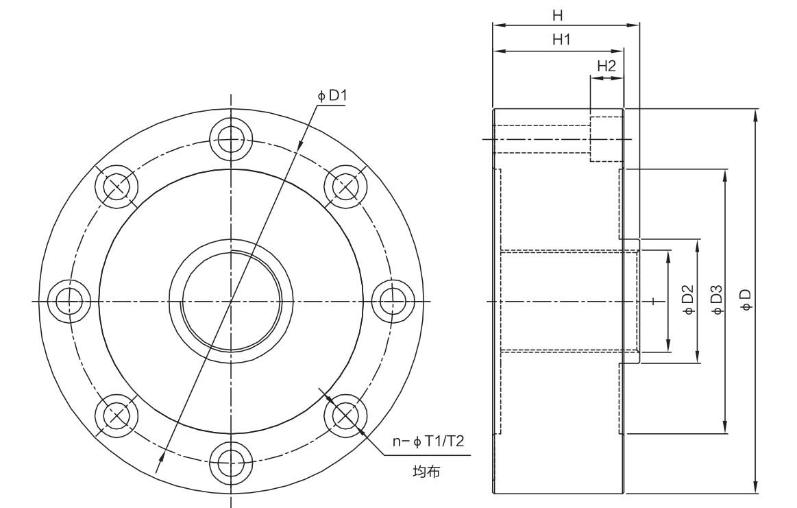
外形尺寸:

量程(kN)


D

D1

D2

75

H

H1

T

T1

T2

n

H2

5-50

mm

105

89

32

75

37

34

M16x1.5

7.5

10.5

8

7.2

100-250

mm

120.6

101.8

39

83

48

41

M32x1.5

8.5

14

8

10.5

300

mm

141

116.8

50.4

97

57

50.8

M40x1.5

11

18

8

11

技术参数:

技术参数




额定输出

3.0mV/V±0.003

输入阻抗

385±10Ω

非线性

±0.05%F.S

输出阻抗

351±3Ω

滞后性

<±0.05%F.S

绝缘电阻

≥5000MΩ

重复性

<±0.05%F.S

允许激励电压

5~15V/DC

蠕变

<±0.05%F.S/30min

补偿温度范围

-10℃~+40℃

零点温度影响

<±0.03%/10℃

工作温度范围

-30℃~+70℃

输出温度影响

<±0.03%/10℃

安全过载

120%F.S

零点平衡

<±1%F.S

极限过载

150%F.S

接线方式

激励:+红 -黑

信号:+绿 -白     屏蔽:黄粗



主站蜘蛛池模板: 沙雅县| 明溪县| 灵石县| 眉山市| 平利县| 宝山区| 宜黄县| 贵溪市| 新建县| 江孜县| 冀州市| 淮阳县| 什邡市| 伽师县| 竹北市| 营口市| 隆化县| 临泽县| 九龙坡区| 黄浦区| 紫云| 荣昌县| 隆尧县| 德惠市| 怀集县| 江达县| 鄱阳县| 金坛市| 蒙阴县| 图木舒克市| 绥德县| 宁陕县| 郸城县| 临汾市| 和静县| 临江市| 灵石县| 呼伦贝尔市| 靖安县| 湘乡市| 三穗县|