TQ-1QN内螺纹轮辐式测力传感器
编号:10114
查看:
发布:2021-08-04
TQ-1QN内螺纹轮辐式测力传感器采用低截面的紧凑设计,合金钢无电解镀镍处理,具有高输出小变形,偏心加载补偿等特点。 TQ-1QN内螺纹轮辐式测力传感器皮带秤、料斗秤及材料力学试验机等测力设备等。
编号:10114
查看:
发布:2021-08-04
TQ-1QN内螺纹轮辐式测力传感器采用低截面的紧凑设计,合金钢无电解镀镍处理,具有高输出小变形,偏心加载补偿等特点。 TQ-1QN内螺纹轮辐式测力传感器皮带秤、料斗秤及材料力学试验机等测力设备等。
1000kN(100t)、 2000kN(200t)、3000 kN(300t)、5000 kN(500t)、7500 kN(750t)、10000 kN(1000t)、20000 kN(2000t)
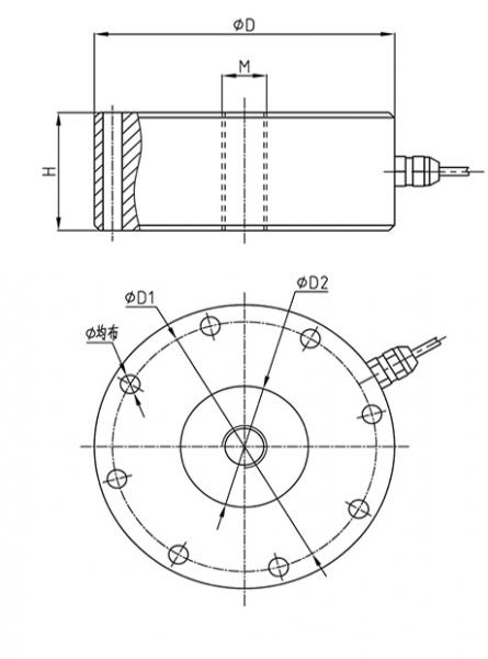
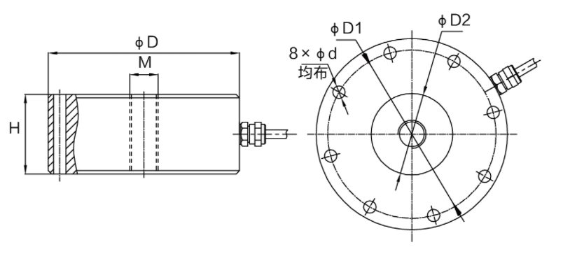
技术参数及外形尺寸:
序号 | 产品技术参数 | |
1 | 额定载荷 | 5-2000kN |
2 | 综合精度 | 0.05%F.S;0.3%F.S |
3 | 灵敏度 | 2.0mV/V |
4 | 零点输出 | ≤0.1%F.S |
5 | 输入阻抗 | 770±20Ω |
6 | 输出阻抗 | 701±3Ω |
7 | 绝缘阻抗 | ≥5000MΩ |
8 | 补偿温度范围 | -10~40℃ |
9 | 适用温度范围 | -30~70℃ |
10 | 安全过载 | 120%F.S |
11 | 极限载荷 | 200%F.S |
12 | 材质 | 合金钢 |
13 | 激励电压 | 10V(DC) |
14 | 密封等级 | IP66/IP67 |
15 | 接线方式 | 红……E+(输入正) 黑……E-(输入负) 绿……S+(输出正) 白……S-(输出负) |

型号 | 量程(kN) | 量程(t) | D | D1 | D2 | H | M | Φ |
TQ-1QN | 5-30 | 0.5-3 | 108 | 96 | 32 | 46 | M16×1.5 | 8×Φ9 |
50-200 | 5-20 | 138 | 116 | 46 | 60 | M24×2 | 8×Φ11 | |
500 | 50 | 250 | 207 | 100 | 100 | M60×4 | 8×Φ18 | |
1000-2000 | 100-200 | 310 | 260 | 138 | 120 | M76×4 | 16×Φ22 | |
2000-3000 | 200-300 | 350 | 300 | 200 | 150 | M100×4 | 8×Φ26 | |
5000 | 500 | 385 | 342 | 160 | 180 | M100×4 | 12×Φ20 | |
7500 | 750 | 560 | 460 | 260 | 140 | M180×6 | 12×Φ50 | |
10000 | 1000 | 608 | 510 | 280 | 161 | M200×6 | 12×Φ58 | |
20000 | 2000 | 750 | 600 | 350 | 250 | M100×4 | 16×Φ52 |
图片与实物略有差异,以实物为准 / 济南泰钦保留随时更改、撤消产品型号、规格的权利,恕不另行通知