CH-XSBC 悬臂梁称重传感器
编号:10447
查看:
发布:2022-05-20
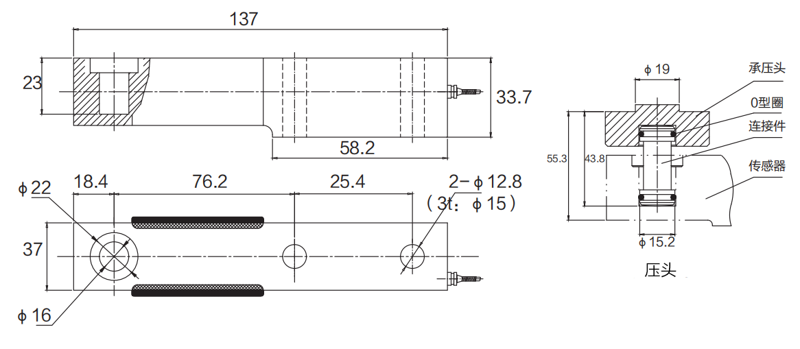
产品名称:CH-XSBC悬臂梁称重传感器产品特点:CH-XSBC采用优质合金钢材质,具有高精度、高稳定性等特点,安装简便、快速,适用于搅拌站、皮带秤、配料秤和平台秤等。量程:5kN(500kg)、10kN(1t)、20kN(2t)、3
编号:10447
查看:
发布:2022-05-20
产品名称:CH-XSBC悬臂梁称重传感器产品特点:CH-XSBC采用优质合金钢材质,具有高精度、高稳定性等特点,安装简便、快速,适用于搅拌站、皮带秤、配料秤和平台秤等。量程:5kN(500kg)、10kN(1t)、20kN(2t)、3
产品名称:CH-XSBC 悬臂梁称重传感器
产品特点:CH-XSBC采用优质合金钢材质,具有高精度、高稳定性等特点,安装简便、快速,适用于搅拌站、皮带秤、配料秤和平台秤等。
量程:5kN(500kg)、10kN(1t)、20kN(2t)、30kN(3t)
外形尺寸:

技术参数:
技术参数 | |||
额定输出 | 2.0mV/V±1% | 零点平衡 | ±1%F.S |
综合精度 | 0.03%F.S | 输入阻抗 | 380±5Ω |
线性、滞后性 | ±0.03%F.S | 输出阻抗 | 350±3Ω |
重复性 | ±0.03%F.S | 绝缘电阻 | ≥5000MΩ |
蠕变 | ±0.03%F.S/30min | 允许工作电压 | 5~15V/DC |
零点温度影响 | ±0.03%/10℃ | 工作温度范围 | -30℃~+70℃ |
输出温度影响 | ±0.03%/10℃ | 安全过载 | 150%F.S |
接线方式 | 激励:+红 -黑 信号:+绿 -白 屏蔽:黄 | ||