佛山桑拿论坛入口2025,南京品茶网论坛,城中村找个气质不错的150


TQ-H1柱式称重传感器

编号:10127
查看:
发布:2024-08-28

TQ-H1柱式称重传感器具有精度高,安装简便,防潮性能好等特点。 TQ-H1柱式称重传感器适用于电子皮带秤,包装秤等。 


拨打电话
Call
在线咨询
Service



产品特点:TQ-H1柱式称重传感器具有精度高,安装简便,防潮性能好等特点。

产品用途:TQ-H1柱式称重传感器适用于电子皮带秤,包装秤等。

量程:TQ-H1 : 1.5 kN(150kg)

           TQ-H1 :10kN(1t)、20kN(2t)、30kN(3t)


技术参数及外形尺寸:


序号

产品技术参数

1

额定载荷

1.5kN,10kN,20kN,30kN

2

综合精度

0.05%F.S

3

灵敏度

2.0mV/V

4

零点输出

1%F.S

5

输入阻抗

380±10Ω

6

输出阻抗

350±3Ω

7

绝缘阻抗

5000MΩ

8

补偿温度范围

-10~40

9

使用温度范围

-20~60

10

安全过载

120F.S

11

材质

合金钢

12

激励电压

10V(DC)

13

接线方式

红……E+(输入正)

黑……E-(输入负)

绿……S+(输出正)

白……S-(输出负)



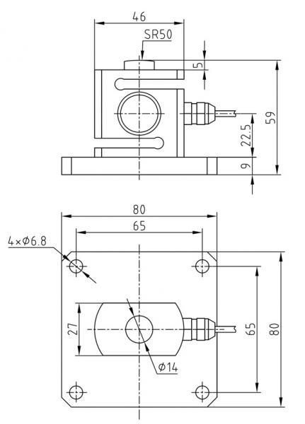
TQ-H1尺寸图:

TQ-H1-2t-3t 尺寸图:



TQ-H1T-1T 尺寸请咨询厂家。


图片与实物略有差异,以实物为准 / 济南泰钦保留随时更改、撤消产品型号、规格的权利,恕不另行通知 




主站蜘蛛池模板: 香港 | 丽水市| 滁州市| 九江县| 萝北县| 宜昌市| 大荔县| 阳朔县| 吴旗县| 长岭县| 额济纳旗| 日照市| 拉萨市| 镇坪县| 崇仁县| 虹口区| 咸阳市| 涡阳县| 正蓝旗| 马鞍山市| 陇西县| 怀化市| 阿鲁科尔沁旗| 黑水县| 惠水县| 依兰县| 武汉市| 沅江市| 汝州市| 义马市| 安泽县| 临城县| 水城县| 普陀区| 汝南县| 襄汾县| 城固县| 昌宁县| 永平县| 宝兴县| 大英县|