TQ-H8柱式称重传感器
编号:10134
查看:
发布:2020-07-30
TQ-H8柱式称重传感器动态响应快,防过载能力强、安装容易,使用方便。 TQ-H8柱式称重传感器适用于制造电子汽车衡、动态轨道衡、大吨位料斗秤等衡器。
编号:10134
查看:
发布:2020-07-30
TQ-H8柱式称重传感器动态响应快,防过载能力强、安装容易,使用方便。 TQ-H8柱式称重传感器适用于制造电子汽车衡、动态轨道衡、大吨位料斗秤等衡器。
产品特点:TQ-H8柱式称重传感器动态响应快,防过载能力强、安装容易,使用方便。
产品用途:TQ-H8柱式称重传感器适用于制造电子汽车衡、动态轨道衡、大吨位料斗秤等衡器。
量程:30 kN(3t)、50 kN(5t)、100 kN(10t)、 200 kN(20t)、300 kN(30t)、500 kN(50t)、600 kN(60t)
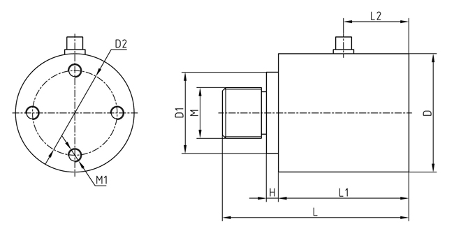
技术参数及外形尺寸:
序号 | 产品技术参数 | |
1 | 额定载荷 | 30kN-600kN |
2 | 综合精度 | ≤0.1%F.S |
3 | 灵敏度 | 1-1.5mV/V |
4 | 蠕变 | ±0.1%F.S/30min |
5 | 零点输出 | ±1%F.S |
6 | 零点温度影响 | ±0.1%F.S/10℃ |
7 | 输出温度影响 | ±0.1%F.S/10℃ |
8 | 输入阻抗 | 380±20Ω |
9 | 输出阻抗 | 350±3Ω |
10 | 绝缘阻抗 | ≥2000MΩ |
11 | 补偿温度范围 | -10~40℃ |
12 | 安全过载 | 150%F.S |
13 | 材质 | 合金钢 |
14 | 密封等级 | IP68 |
15 | 接线方式 | 红……E+(输入正) 黑……E-(输入负) 绿……S+(输出正) 白……S-(输出负) |

型号 | 量程(kN) | 量程(t) | D | D1 | D2 | M | L | L1 | L2 | H | M1 |
TQ-H8 | 30-100 | 3-10 | 60 | 28 | 40 | M16 | 110 | 84 | 59 | 4 | 4-M8 |
200-300(A) | 20-30(A) | 70 | 48 | 50 | M30×2 | 131 | 100 | 59 | 7 | 4-M8 | |
200-300(B) | 20-30(B) | 80 | 42 | 65 | M16 | 95 | 77 | 47 | 3 | 4-M8 | |
200-300(C) | 20-30(C) | 85 | 48 | 60 | M30×2 | 131 | 100 | 65 | 7 | 4-M12 | |
500-600(A) | 50-60(A) | 90 | 68 | 70 | M36×2 | 160 | 130 | 74 | 5 | 4-M10 | |
500-600(B) | 50-60(B) | 118 | 68 | 90 | M36×2 | 160 | 130 | 79 | 5 | 4-M12 |
图片与实物略有差异,以实物为准 / 济南泰钦保留随时更改、撤消产品型号、规格的权利,恕不另行通知