TQ-H7柱式称重传感器
编号:10133
查看:
发布:2020-07-30
TQ-H7柱式称重传感器为全密封双球头结构采用氩弧焊接,防水,防尘能力达到IP68等级要求。承载方式为压式,动态响应快,防过载能力强、安装容易,使用方便。 TQ-H7柱式称重传感器适用于制造电子汽车衡、动态轨道衡、大吨位料斗秤等衡器。
编号:10133
查看:
发布:2020-07-30
TQ-H7柱式称重传感器为全密封双球头结构采用氩弧焊接,防水,防尘能力达到IP68等级要求。承载方式为压式,动态响应快,防过载能力强、安装容易,使用方便。 TQ-H7柱式称重传感器适用于制造电子汽车衡、动态轨道衡、大吨位料斗秤等衡器。
产品名称:TQ-H7柱式称重传感器
产品特点:TQ-H7柱式称重传感器为全密封双球头结构采用氩弧焊接,防水,防尘能力达到IP68等级要求。承载方式为压式,动态响应快,防过载能力强、安装容易,使用方便。
产品用途:TQ-H7柱式称重传感器适用于制造电子汽车衡、动态轨道衡、大吨位料斗秤等衡器。
量程: 150 kN(15t)、200 kN(20t)、300 kN(30t)、400 kN(40t)、600 kN(60t)
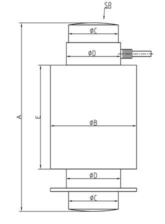
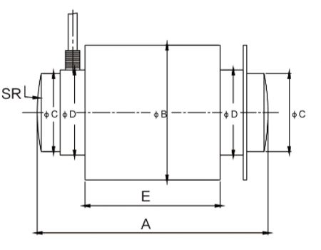
技术参数及外形尺寸:
序号 | 产品技术参数 | |
1 | 额定载荷 | 15-60t |
2 | 综合精度 | 0.03% |
3 | 灵敏度 | 2.0mV/V±0.5% |
4 | 蠕变 | ±0.03%F.S/30min |
5 | 零点输出 | ±1%F.S |
6 | 零点温度影响 | ±0.03%F.S/10℃ |
7 | 输出温度影响 | ±0.03%F.S/10℃ |
8 | 输入阻抗 | 700±20Ω |
9 | 输出阻抗 | 706±3Ω |
10 | 绝缘阻抗 | ≥5000MΩ |
11 | 补偿温度范围 | -10~40℃ |
12 | 安全过载 | 150%F.S |
13 | 材质 | 不锈钢 |
14 | 密封等级 | IP68 |
15 | 接线方式 | 红……E+(输入正) 黑……E-(输入负) 绿……S+(输出正) 白……S-(输出负) |

型号 | 量程(kN) | 量程(t) | A | B | C | D | E | SR |
TQ-H7 | 150 | 15 | 130 | 76.1 | 44 | 48 | 76.1 | 110 |
200 | 20 | 150 | 76.1 | 44 | 48 | 76.1 | 130 | |
300 | 30 | 150 | 76.1 | 44 | 48 | 76.1 | 160 | |
400 | 40 | 150 | 76.1 | 44 | 48 | 76.1 | 180 | |
600 | 60 | 210 | 76.1 | 44 | 48 | 76.1 | 220 |
图片与实物略有差异,以实物为准 / 济南泰钦保留随时更改、撤消产品型号、规格的权利,恕不另行通知